跳转到主要内容
cathy 提交于

非贴片元件的电子元件本体,可以承载较多的产信息,如规格型号、制造厂商、产品序号等。贴片元件的体积或尺寸是以毫米为计的,元件本体上不允许标注太多的信息,标识方法通常有:

1)简化标识法。将常规标识型号进行简化,如将74LS14(六反相器数字IC)标识为LS14;

2)代码标注法,将标识进一步简化,称为代码标注法。如贴片晶体管的-24、1L等,更像是密码,需要用资料“破译”后,才能知道标识背后元件规格型号的含义;

3)无标识。小功率(如16/1W)贴片电阻,和(PF级别)小容量电容,因元件本体太小,无法印出标识,干脆就成为无标识元件。

初学者每每面临这样令人困惑又能非常挠头的问题:如何由IC元件上的标注代码(也称印字),判断是什么器件?如何查找相关IC的电路资料?无标识(印字)元件怎样判断是什么器件,如何测量其好坏?可否用其它型号的元件(甚至非贴片元件)对贴片元件进行代换?贴片元件的封装形式有哪些啊?等等。

<strong>贴片电阻</strong>

贴片电阻是电路板上应用数量最多的一种元件,形状为矩形,黑色,电阻体上一般标注为白色数字(小型电阻无标识,称无印字贴片电阻),变频器生产厂家在电路板上标注的元件序列号为R(如R1、R147等)。贴片电阻的基本参数有标称阻值、额定功率、误差级别,另外还有最高使用电压、温度系数等,我们只需关注标称功阻值和额定功率值两项参数就可以了。

<center><img src="http://mouser.eetrend.com/files/2018-11/wen_zhang_/100015590-52301-1.jp…; alt=“图1 贴片电阻外型图” ></center><center><i>图1 贴片电阻外型图</i></center>

<strong>1、贴片电阻的工作参数和类别</strong>

1)额定阻值。最常见的有数字标识法。

a、用3位数字电阻值。前2位为十位、个位值,为有效数值,第3位是0的个数或称为10的X次方。如标注为152,即为1500Ω;101,即为100Ω;103,即为10000Ω(10 kΩ)。

1Ω以下的值加R表示,如1R5,即1.5Ω;R10,即0.01Ω。

b、用4位数字表示电阻值。前3位为有效值,即千位、百位和个位值,第4位为0的个数。如标注为1501,即为1500Ω;标注为1000,即为100Ω;标注为681,即为680 Ω;标注为1003,即为100kΩ。1Ω以下的值加R表示,同上。

3色环和4色环阻值标注法,不常见,标注规则同普通电阻,不予赘述;精密型贴片电阻,用代码标注法,由两位数字加一位代码组成,前两位数字为有效值,第3位字母为乘数值。如01A——100Ω,02 C——100kΩ,不常见,但须注意!

2)额定功率。采用数字标识的贴片电阻多为黑色,其功率级别分为1/20W、1/16W、1/8W、1/10W、1/4W、1/2W、1W等,以1/16W、1/8W、1/10W、1/4W应用最多,一般功率越大,电阻体积也越大,功率级别是随着尺寸逐步递增的。另外相同的外形,颜色越深,功率值也越大。耗散功率为1W或1W以上的电阻,考虑到散热要求,不得与印刷线路板直接接触,因而所有电路板上用到的贴片电阻,一般都是小于1W的。贴片电阻的功率值受限,故在电路中需要较大功率电阻的地方,经常采用多只贴片电阻并联(加串联)的方法,来增大功率值。贴片电阻的功率值不在电阻体上直接标注,可以根据电阻的“个头”来判断电阻功率值的大小。

换用电阻元件时,一看数字标注的电阻值,二看电阻的体积大小,符合二者条件时,即可代换。

3)贴片熔断电阻。这是贴片电阻中的一个特殊类型,出于电路安全考虑,不宜用普通贴片电阻予以代换,或轻易用导线短接。

贴片熔断电阻,是在电路中起到熔丝保护作用的一种特殊贴片电阻,一般是串联于某单元电路的供电支路中,当流过该电阻的电流超过一定数值,则其电阻层快速熔断,切断电路该单元电路的供电电源,避免故障扩大化。其电阻体的数字标注为000或0,是贴片熔断电阻的特征,测量其正常电阻值为0Ω。

4)贴片排阻。这是另一类型的贴片电阻,最常见为4引脚2元件贴片排阻、8引脚4元件贴片电阻和10引脚8元件贴片排阻,8此脚4元件贴片排阻其内部含有4只同电阻值的相互独立的电阻元件,标注为472的贴片排阻,指内部含有4只阻值为4.7k的电阻元件,用于集中使用相同阻值电阻元件的电路,如MCU引脚的上位电阻,在MCU的接口电路中应用较多。

<center><img src="http://mouser.eetrend.com/files/2018-11/wen_zhang_/100015590-52302-2.pn…; alt=“图2 贴片排阻与内部等效电路” ></center><center><i>图2 贴片排阻与内部等效电路</i></center>

<strong>2、如何判断贴片电阻的阻值和功率大小?</strong>

如果能清晰看出贴片电阻体上的数字标识,判断电阻值和功率值当然不存在问题。如果损坏电阻本身无标注,或已烧毁得面目全非,看不清标注,那么代换前的电阻值判断就要费一点周折了,而且也必须做到心中有数,才能做出下一步的修复。有哪些方法可以作出较为准确的判断呢?

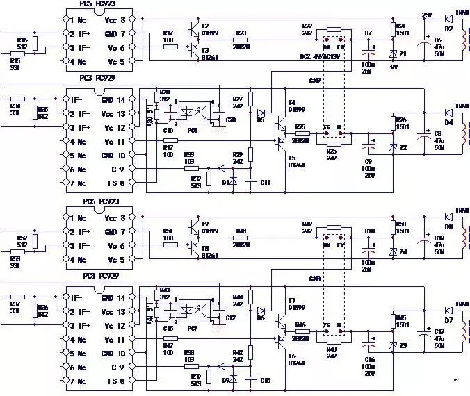
1)参考本机型的相同电路中相对应元件的电阻值。变频器电路中的相同电路很多,如6路IGBT驱动脉冲传输通道,其中6个支路是完全一样的,从MCU脉冲信号输出引脚,至缓冲电路、至驱动IC,至IGBT的栅、射极电路。任何其中1路或数个支路中的电阻或其它元件损坏,可能参考未损坏支路中贴片元件的参数值,如无标识,可在电路板上测量确定或将元件焊脱电路板进行测定。3相输出电流(模拟信号)的传输通道,3个信号检测电路也是一般也是完全相同的,一路有损坏时,可能未损坏两路中的元件参数,确定损坏元件的参数值。

如图3所示,PC5与PC6两路驱动IC的外围电路的元件参数完全相同;PC3与PC8两路驱动IC的外围元件参数完全相同,R17=R51、R23=R48、R22=R49……,当PC3外围有元件损坏坏,可以“照搬”PC5相对应外围元件的参数值进行修复。

同理,对晶体管、二极管、IC芯片等其它元件的损坏,当无法确定损坏元件参数时,可以参照同类型电路元件的参数值进行代换修复。

2)据电路类型确定元件参数。如MCU(微控制器)引脚上连接的上拉、下拉电阻损坏,MCU需外接上拉、下拉电阻的数字端口,一般内部为开漏结构,应用上拉或下拉电阻,可以避免I/O口存在电平漂移状态,维持一个静态的稳定电平。其电阻选值一般为10kΩ、6.8kΩ、5.1kΩ、4.7kΩ、3.3kΩ等,取值过小耗电增大,取值过大,则引发电平漂移或易引入干扰。只要确定损坏贴片电阻为MCU引脚的上位、下接电阻,则可以直接确定该损坏元件的阻值也在3.3~10kΩ的范围之内。当然也可以参考其它上位、下拉电阻的电阻值。

<center><img src="http://mouser.eetrend.com/files/2018-11/wen_zhang_/100015590-52303-3.jp…; alt=“图3 参考相同电路中元件参数示意图” width="600"></center><center><i>图3 参考相同电路中元件参数示意图</i></center>
<center><img src="http://mouser.eetrend.com/files/2018-11/wen_zhang_/100015590-52304-4.pn…; alt=“图4 MCU引脚的上拉电阻的电路示意图”></center><center><i>图4 MCU引脚的上拉电阻的电路示意图</i></center>

如图4所示,U2的脉冲引脚的上拉电阻为5.1k,在3.3~10kΩ的范围之内。

3)参考同类机型确定元件参数值。没有相同电路可能参考,也不能像上拉、下拉电阻一样可以大致“估算”出元件的参数,找到同类机型进行比对测量,也能确定损坏元件的参数值。

4)调整试验得出元件的参数值。若无同类机型进行参考,需要费点力气测绘出该部分电路,搞明白损坏电阻在电路中的位置和具体作用,与其它元件的连接方法,“估算”出大致的电阻值,若仍无把握,将损坏电阻,暂时接入电位器,变频器上电,调整电位器进行试验,配合人工信号给定、后续电路对信号作出的反应、面板显示等,测出电位器的电阻值,进而确定损坏电阻的参数。

<strong>3、贴片电阻的测量及外观检查</strong>

1)用万用表在线测量,电阻值大于标称值时,说明元件有断路性故障或电阻值变大,已经损坏;所测阻值小于标称值时,要考虑到是外围并联元件对其造成的影响,应将元件一端或两端脱开电路进行测量,以便得出确切的测量结果。

2)贴片电阻的外观特征如下:

a、贴片电阻表面二次玻璃体保护膜应覆盖完好,出现脱落,可能已经损坏;

b、元件表面应该是平整的,若再现一些“凸凹”,可能损坏;

c、元件引出端电极一般应平整、无裂痕针孔、无变色现象,如果出现裂纹,可能损坏;

d、贴片电阻体表面颜色烧黑,可能已经损坏;

e、电阻体已经变形,可能损坏。

<strong>4、贴片电阻的代换</strong>

贴片电阻的代换,除了要求电阻值一样外,还需注意尺寸和功率值。小信号电路(如MCU主板电路)首先要求尺寸一致,便于焊接安装。代换注意事项如下:

1)严格按原参数代换。模拟信号处理电路,如比例放大器电路,对输入电阻、反馈电阻的取值严格,代换元件的电阻值,应与原损坏元件一样,不允许差异过大,否则会引发电路工作失误。

2)用于数字电路的元件,如上接、上拉电阻、隔离电阻等,选值有一定范围,只要令信号电压变化明显,符合高、低电平的要求范围即可。首先应选用相同参数的元件代换。若手头实在不能找到同阻值元件,则可用数值接近的元件代换,一般不会影响到电路性能。如4.7kΩ电阻损坏,用5.1kΩ或6.8kΩ电阻均可以进行代换修复。

3)可用非贴片元件代换。贴片电阻的损坏率极低,除了驱动电路因可能遭受强电冲击经常损坏(可购用部分备件),其它电路的元件很少损坏,可能有1只或两只损坏,类型不一,也无法选购备件。遇到此类损坏元件,用非贴片的1/4W或1/8W普通电阻,来代换也是没有问题的,并非找不到原配件就导致维修进度的“卡壳”。当然焊接时要注意,做好引线整形,尽可能使引线短些,焊接后若有必要涂覆704胶加固,也能达到高质量的修复要求。

<strong>贴片电容</strong>

贴片电容是电路板上应用数量较多的一种元件,形状为矩形,有黄色、青色、青灰色,以半透明浅黄色者为常见(系高温烧结而成的陶瓷电容,无法印出标识)。小容量(皮发级)电容体上一般无标识,微发级电容才有标识(应用不多,容量稍大的电容,使用带引线的插孔电容)。变频器生产厂家在电路板上标注的元件序列号为C(如C1、C47等),由于变频器实际电路板的元件安装紧凑,一般只标注序号,而不标出容量值。贴片电容的基本参数有电容量、工作电压、漏电流值、误差等,用于小信号电路的供电电压一般为15V以下,如MCU主板的供电为5V,所以实际应用中,仅需注意第一个参数电容量和尺寸(便于安装)就可以了。

<center><img src="http://mouser.eetrend.com/files/2018-11/wen_zhang_/100015590-52305-5.jp…; alt=“图5 无极性贴片电容、和钽电容贴片元件外形图” width="600"></center><center><i>图5 无极性贴片电容、和钽电容贴片元件外形图</i></center>

应用于变频器电路的贴片电容,主要有无极性小容量贴片电容(用于IC小信号滤波,抑制振铃)、有极性贴片钽电容(为电解电容的一种,用于电源输出端的滤波)两种,耐压在63V以下。容量在10微法级和高耐压电容,往往采用普通电容器。

<strong>1、无标识贴片电容的容量估算、检测和代换</strong>

1)用于开关电源电路的供电输出端及IC电路的供电输入端的贴片电容,见上图电路左侧元件图示。

在供电输出端,与(滤波)电解电容并联在一起。因电解电容系导电极板和绝缘介质卷绕在一起,具有“电感效应”,高频滤波效果差。并联小容量电容,滤除整流后的高频纹波成分。电路中IC的供电端,也都加有高频滤波电容,以吸收(可能存在由引线形成的寄生电感或由某种干扰带来的)电源扰动。此类电容的电容量一般为0.01~0.1μF左右。该类电容对容量要求并不严格,故障率也比较低。如检查发现有损坏,换用0.01~0.1μF范围内的电容都是可以的。

2)信号通路中的低通滤波器用到的贴片电容。低通滤波器电路,用于对信号中的某一频段内的高频成分进行衰减和吸收,只要求其中的信号中的低频成分(甚至直流成分)通过。变频器的信号传输通路中,多用于将脉动直流信号经RC电路转化成直流信号,因而该电路中的电容量大致在0.01~0.47μF左右,因为电阻R的作用,虽然电容量较小,但RC总的时间常数并不小,也能达到较好的滤波效果。如不好确认容量大小,可以用0.01~0.47μF以内容量的电容试验,以经RC滤波后无明显脉冲动成分为宜。

3)具有特定容量的贴片电容。如MCU晶振引脚的补偿电容,其容量与MCU类型和晶振频率相关,可由MCU的相关资料,和晶振元件的标注频率值,确定该电容的容量,一般为33PF或22PF、15PF。

<strong>贴片电容的损坏现象和检测方法:</strong>

a、同一类型的电容,个头越大或颜色越深,容量也越大。电容的容量可以用专用的电容测试仪来测定,目前一些数字万用表,也附加此项功能。测电容量时,须将贴片电容至少脱开一端,排除外电路的影响后,再行检测。

b、用万用表检测。如果在线检测,万用表测量得出电容两引脚之间的的电阻值,其实是与电容相连接的外电路“综合电阻值”,若电容处于短路或近于短路情况(电阻值极低)下,才能有所反映。将电容器脱开原电路,测量其电阻值应为无穷大。用指针表的×10k挡测量时,0.1μF左右的电容指针有跳动(充电)现象,静止后归于无穷大。若测得固定电阻值,说明电容损坏。

c、上电检测,由电路判断该点电压低落,可能是电容漏电引起,见下图电路示例。这也是一个比较好的方法。

如下图6所示电路中,测量a点电压正常值应为R221、R22对3V供电的分压值1.5V,若测量电压值高于1.5V,可能系电容C112漏电损坏所致;测b点电压正常值应为3V,若低于3V,可能系电容C56漏电损坏所致。

<center><img src="http://mouser.eetrend.com/files/2018-11/wen_zhang_/100015590-52306-6.pn…; alt=“图6 电压漏电引起A点电压降低” width="600"></center><center><i>图6 电压漏电引起A点电压降低</i></center>

进一步,可将C112或C56焊脱电路,对其引脚电阻值进行测量验证。

当贴片电容损坏时,也同确定贴片电阻的阻值一样,可参考同类电路,测出好的电容元件的电容量,来确定故障电容的参数。如晶振引脚电容坏掉一只,测另一脚电容元件的电容量即可,两只电容的容量是一样的。

故障电容的代换:贴片电容的故障率较低,各种规格的贴片电容都要备件,显然不是现实的。偶尔发现损坏元件时,用普通的同容量瓷片或绦纶电容来代换,是完全可以的,注意引线尽量要短,焊接质量要好。

<strong>2、有极性(有标识)贴片电容的容量识别、检测和代换</strong>

有极性贴片电容的外形如图2-11中右侧元件图所示,一般有矩形贴片,圆柱形贴片两种形式,后者的标识与形状与普通电容器相似,易于辨识,不做讨论。矩形贴片电容的颜色多为银白色或黑色,标有横杠的一端为正极(也可通过其在电路中的连接方式进一步判断——带横杠的一端与供电电源的正极连接)。根据封装形式不同,耐压分为A(10V)、B(16V)、C(25V)、D(35V)四个等级,电容量多为数微法至数十微法。

贴片电容的规格型号所包含的参数一般有电容量、额定电压、容量误差、尺寸、封装类型等,不同厂家皆有差异,想记住或弄明白,真是相当困难(也无必要)。

<strong>贴片有极性电容的标注法举例:</strong>

1)采用数字标注法,采用一位字母+3位数字组成,如A475,数字中前两位为有效值,末位为零的个数,即4700000PF=4.7μF。A为耐压级别,10V。

2)直接标注法。如16V 10,即为10μF,耐压16V的有极性电容。

3)四色环标注法。色环的颜色与数字对应关系,棕(或茶色)1、红2、橙(或橘红色)3、黄4、绿5、蓝6、紫7、灰8、白9、黑0,同普通电阻的色环标注法相同。(从左至右)前两道色环为有效值,第三道色环为零的个数,第四道色环为额定电压标识。如黄紫绿绿,前3环为4700000PF(4.7μF),第四道色环表示额定电压为10V。

4)代码标示法,在没有相关资料的情况下,就比较难于辨识了。须依据代码,按资料“翻译”出电容的容量和耐压等参数值来。

对故障电容器参数的确定,假设从标识上很难判定,则采用上文如对贴片电阻检测判断的其它方法,也能达到判定和确定元件参数的目的,如在电路中一般都能找到相同标识的贴片电容,用电容表测量相同标识的电容,可以判断出电容量,耐压则选用比供电电源高一级别的即可,如5V供电电源下,可选用6.3~16V的都可以。

<strong>有极性贴片电容的好坏判断:</strong>

贴片电容有击穿短路、内部电极断路、漏电、容量减小等故障,检测方法普通电解电容的检测与判断方法一样。用数字万用表测量电容量,或指针式万用表的电阻挡测量充、放电现象和静态电阻值,都可以判断电容的好坏。

<strong>贴片有极性电容的代换:</strong>

1)如果易于购到原型号、原封装形式的“原配件”,代换最为方便。原配件的来源一般有两处:采购,从(电子元件商场)供应商,或从(当当网,淘宝网上可购得难以找到原配件的二手器件)网络;废旧电路板上拆用。无论从何处得到的配件,一定要先测量,判定是好的,再往电路板上焊接,焊接前一定要有“测量验证”这一个环节,避免查出一个坏元件,再换上一个坏元件,使检修进入误区导致修复失败的现象发生。

2)贴片有极性电容的损坏率也是相当低的。如果安装空间许可,用普通的同容量和耐压符合要求的电解电容来代换,也没有什么问题,注意选用质量优良(温度系数小,性能稳定)的电解电容,焊接引脚要短,焊接后可用704胶加固。

<strong>贴片电感</strong>

贴片电感元件在电路中的应用数量较少,仅仅在低压直流控制电源的输出端,见到其应用,与滤波电容构成CLC的π形滤波电路,有(抑制电流突变)稳定输出电流的作用。电感元件,由单线圈组成,有的带磁心(电感量较大),单位一般用μH和mH表示,流通电流值为几毫安至几百毫安。

贴片电感有圆形、方形和矩形等封装形式,颜色多为黑色。带铁心电感(或圆形电感),从外形上看易于辨识。但有些矩型电感,从外型上看,更像是贴片电阻元件。变频器生产厂家对电路板上贴片电感的标号,标有“L”字样。电感的工作参数有电感量、Q值(品质因数)、直流电阻、额定电流、自谐频率等,但贴片电感受体积局限,大多只标注出电感量,其它参数未予标注,而且往往是间接标注法——贴片电感本体上标注,只是整个规格型号的部分信息,即大多只是电感量信息。

<center><img src="http://mouser.eetrend.com/files/2018-11/wen_zhang_/100015590-52307-7.jp…; alt=“图7 贴片电感外形图” width="600"></center><center><i>图7 贴片电感外形图</i></center>

贴片电感的标注举例:实际(印字)标注——101,完整型号——MPI 0610 M T 101(含有类型、尺寸、误差、封装形式、电感量等信息),是电感量为100μH的贴片电感。1R1,是电感量为1.1μH的贴片电感。有的用一个字母表示电感(代码标注法),实际标注——E,完整型号——MPE0312NT2R7,是电感量为2.7μH的贴片电感。

<strong>贴片电感的辨识方法:</strong>

1)从外型,如带磁心方形或圆形电感,体积稍大,能看出磁心和线圈;

2)有的贴片电感从外形上与贴片电阻一样,但没有数字与字母标注,只有一个小圆圈的标注,意为电感元件;

3)在电路中的元件序号,往往标为L字样,如“L1”、“DL1”等。

4)有电感量标注,如100。

5)理想电感的交流电阻较大,而直流电阻为零。电感元件的测量电阻值极小,电阻值近于为零欧姆。从3)、4)、5)项,配合观察和测量(在电路中的位置和作用),能区别出元件是贴片电阻还是贴片电感,并判定出电感元件。

6)用专用电感量测试仪,将元件脱开电路,测量其电感量。

<strong>贴片电感的好坏判别:</strong>

1)首先确定是电感元件;

2)观察外型有无变形、变色、碎裂等,若有以上现象,可能已经损坏;

3)用万用表的小电阻挡位(如200挡或×1挡),测直流电阻应近于0。若测量电阻值较大或无穷大,说明电感元件损坏。

<strong>贴片电感的故障代换:</strong>

1)可从废旧电路板上拆同型号元件代换;

2)先确定电感量和流通电流值,用普通带引脚电感元件代替,并做好固定;

3)自行绕制,制作电感代用,有一定操作难度;

4)如果对电路性能无明显影响,应急修复可暂时短接(仅供参考,并不提倡这个修复方法,有可能降低产品的某些性能)。

本文转载自:<a href="https://mp.weixin.qq.com/s/NLUUomoERnCK1hNj9yuPJg">可靠性技术交流</a&gt;
声明:本文为转载文章,转载此文目的在于传递更多信息,版权归原作者所有,如涉及侵权,请联系小编邮箱:cathy@eetrend.com 进行处理。

<strong><a href="http://www.mouser.cn/applications/&quot; style="color:red;">点击这里,获取更多关于应用和技术的有关信息</a></strong>
<strong><a href="https://www.mouser.cn/blog&quot; style="color:red;">点击这里,获取更多工程师博客的有关信息</a></strong>