对于正弦信号,流过一个元器件的电流和其两端的电压,它们的相位不一定是相同的。这种相位差是如何产生的呢?这种知识非常重要,因为不仅放大器、自激振荡器的反馈信号要考虑相位,而且在构造一个电路时也需要充分了解、利用或避免这种相位差。下面探讨这个问题。
首先,要了解一下一些元件是如何构建出来的;其次,要了解电路元器件的基本工作原理;第三,据此找到理解相位差产生的原因;第四,利用元件的相位差特性构造一些基本电路。
<strong>1、电阻、电感、电容的诞生过程</strong>
科学家经过长期的观察、试验,弄清楚了一些道理,也经常出现了一些预料之外的偶然发现,如伦琴发现X射线、居里夫人发现镭的辐射现象,这些偶然的发现居然成了伟大的科学成就。电子学领域也是如此。科学家让电流流过导线的时候,偶然发现了导线发热、电磁感应现象,进而发明了电阻、电感。科学家还从摩擦起电现象得到灵感,发明了电容。发现整流现象而创造出二极管也是偶然。
<strong>2、元器件的基本工作原理</strong>
电阻——电能→热能
电感——电能→磁场能,&磁场能→电能
电容——电势能→电场能,&电场能→电流
由此可见,电阻、电感、电容就是能源转换的元件。电阻、电感实现不同种类能量间的转换,电容则实现电势能与电场能的转换。
<strong><font color="#004a85">电阻</font> </strong>
电阻的原理是:电势能→电流→热能。
电源正负两端贮藏有电势能(正负电荷),当电势加在电阻两端,电荷在电势差作用下流动——形成了电流,其流动速度远比无电势差时的乱序自由运动快,在电阻或导体内碰撞产生的热量也就更多。
正电荷从电势高的一端进入电阻,负电荷从电势低的一端进入电阻,二者在电阻内部进行中和作用。
中和作用使得正电荷数量在电阻内部呈现从高电势端到低电势端的梯度分布,负电荷数量在电阻内部呈现从低电势端到高电势端的梯度分布,从而在电阻两端产生了电势差,这就是电阻的电压降。同样电流下,电阻对中和作用的阻力越大,其两端电压降也越大。因此,用R=V/I来衡量线性电阻(电压降与通过的电流成正比)的阻力大小。
对交流信号则表达为R=v(t)/i(t)。
注意:也有非线性电阻的概念,其非线性有电压影响型、电流影响型等。
<strong><font color="#004a85">电感</font> </strong>
电感的原理:电感——电势能→电流→磁场能,&磁场能→电势能(若有负载,则→电流)。当电源电势加在电感线圈两端,电荷在电势差作用下流动——形成了电流,电流转变磁场,这称为“充磁”过程。若被充磁电感线圈两端的电源电势差撤销,且电感线圈外接有负载,则磁场能在衰减的过程中转换为电能(如负载为电容,则为电场能;若负载为电阻,则为电流),这称为“去磁”过程。
衡量电感线圈充磁多少的单位是磁链——Ψ。电流越大,电感线圈被冲磁链就越多,即磁链与电流成正比,即Ψ=L*I。对一个指定电感线圈,L是常量。因此,用L=Ψ/I表达电感线圈的电磁转换能力,称L为电感量。电感量的微分表达式为:L=dΨ(t)/di(t)。
根据电磁感应原理,磁链变化产生感应电压,磁链变化越大则感应电压越高,即v(t)=d dΨ(t)/dt。
综合上面两公式得到:v(t)=L*di(t)/dt,即电感的感应电压与电流的变化率(对时间的导数)成正比,电流变化越快则感应电压越高。
<strong><font color="#004a85">电容</font> </strong>
电容的原理:电势能→电流→电场能,电场能→电流。
当电源电势加在电容的两个金属极板上,正负电荷在电势差作用下分别向电容两个极板聚集而形成电场,这称为“充电”过程。若被充电电容两端的电源电势差撤销,且电容外接有负载,则电容两端的电荷在其电势差下向外流走,这称为“放电”过程。电荷在向电容聚集和从电容两个极板向外流走的过程中,电荷的流动就形成了电流。
要特别注意,电容上的电流并不是电荷真的流过电容两个极板间的绝缘介质,而只是充电过程中电荷从外部向电容两个极板聚集形成的流动,以及放电过程中电荷从电容两个极板向外流走而形成的流动。也就是说,电容的电流其实是外部电流,而非内部电流,这与电阻、电感都不一样。衡量电容充电多少的单位是电荷数——Q。电容极板间电势差越大,说明电容极板被冲电荷越多,即电荷数与电势差(电压)成正比,即Q=C*V。对指定电容,C是常量。因此,用C=Q/V表达电容极板贮存电荷的能力,称C为电容量。
电容量的微分表达式为:C=dQ(t)/dv(t)。
因为电流等于单位时间内电荷数的变化量,即i(t)=dQ(t)/dt,综合上面两个公式得到:i(t)=C*dv(t)/dt,即电容电流与其上电压的变化率(对时间的导数)成正比,电压变化越快则电流越大。
<strong><font color="#004a85">小结</font> </strong>
<center>v(t)=L*di(t)/dt</center>
表明电流变化形成了电感的感应电压(电流不变则没有感应电压形成)。
i(t)=C*dv(t)/dt表明电压变化形成了电容的外部电流(实际是电荷量变化。电压不变则没有电容的外部电流形成)。
<strong>3、元件对信号相位的改变</strong>
首先要提醒,相位的概念是针对正弦信号而言的,直流信号、非周期变化信号等都没有相位的概念。
<strong><font color="#004a85">电阻上的电压电流同相位</font> </strong>
因为电阻上电压v(t)=R*i(t),若i(t)=sin(ωt+θ),则v(t)=R* sin(ωt+θ)。所以,电阻上电压与电流同相位。
<strong><font color="#004a85">电感上的电流落后电压90°相位</font> </strong>
因为电感上感应电压v(t)=L*di(t)/dt,若i(t)=sin(ωt+θ),则v(t)=L*cos(ωt+θ)。所以,电感上电流落后感应电压90°相位,或者说感应电压超前电流90°相位。
直观理解:设想一个电感与电阻串联充磁。从充磁过程看,充磁电流的变化引起磁链的变化,而磁链的变化又产生感应电动势和感应电流。
根据楞次定律,感应电流方向与充磁电流相反,延缓了充磁电流的变化,使得充磁电流相位落后于感应电压。
<strong><font color="#004a85">电容上的电流超前电压90°相位</font> </strong>
因为电容上电流i(t)=C*dv(t)/dt,若v(t)=sin(ωt+θ),则i(t)=L*cos(ωt+θ)。所以,电容上电流超前电压90°相位,或者说电压落后电流90°相位。
直观理解:设想一个电容与电阻串联充电。从充电过程看,总是先有流动电荷(即电流)的积累才有电容上的电压变化,即电流总是超前于电压,或者说电压总是落后于电流。
下面的积分方程能体现这种直观性:
<center>v(t)=(1/C)*∫i(t)*dt=(1/C)*∫dQ(t)</center>
即电荷变化的积累形成了电压,故dQ(t)相位超前v(t);而电荷积累的过程就是电流同步变化的过程,即i(t)与dQ(t)同相。因此i(t)相位超前于v(t)。
<strong>4、元件相位差的应用</strong>
RC文氏桥、LC谐振过程的理解:无论RC文氏桥,还是LC的串联谐振、并联谐振,都是由电容或/和电感容元件的电压、电流相位差引起的,就像机械共振的节拍一样。
当两个频率相同、相位相位的正弦波叠加时,叠加波的幅度达到最大值,这就是共振现象,在电路里称为谐振。两个频率相同、相位相反的正弦波叠加,叠加波的幅度会降到最低,甚至为零。这就是减小或吸收振动的原理,如降噪设备。
当一个系统中有多个频率信号混合时,如果有两个同频信号产生了共振,那么这个系统中其它振动频率的能量就被这两个同频、同相的信号所吸收,从而起到了对其它频率的过滤作用。这就是电路中谐振过滤的原理。
谐振需要同时满足频率相同和相位相同两个条件。电路如何通过幅度-频率特性选择频率的方法以前在RC文氏桥中讲过,LC串并联的思路与RC相同,这里不再赘述。
下面我们来看看电路谐振中相位补偿的粗略估计(更精确的相位偏移则要计算)
<strong><font color="#004a85">RC文氏桥的谐振</font> </strong>
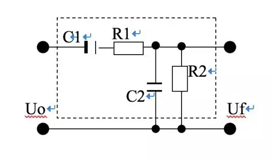
<center><img src="http://mouser.eetrend.com/files/2020-11/wen_zhang_/100058406-111351-1.p…; alt=“”></center>
如图1所示,若没有C2,正弦信号Uo的电流由C1→R1→R2,通过R2上压降形成Uf输出电压。由于支路电流被电容C1移相超前Uo 90°,这超前相位的电流流过R2(电阻不产生相移!),使得输出电压Uf电压超前于Uo 90°。
在R2上并联C2,C2从R2取得电压,由于电容对电压的滞后作用,使得R2上电压也被强制滞后。(但不一定有90°,因为还有C1→R1→C2电流对C2上电压即Uf的影响,但在RC特征频率上,并联C2后Uf输出相位与Uo相同。)
小结:并联电容使得电压信号相位滞后,称为电压相位的并联补偿。
<strong>LC并联谐振</strong>
<center><img src="http://mouser.eetrend.com/files/2020-11/wen_zhang_/100058406-111352-2.p…; alt=“”></center>
如图2所示,若没有电容C,正弦信号u通过L感应到次级输出Uf,Uf电压超前于u 90°;在L初级并联电容C,由于电容对电压的滞后作用,使得L上电压也被强制滞后90°。因此,并联C后Uf输出相位与u相同。
<strong>LC串联谐振</strong>
<center><img src="http://mouser.eetrend.com/files/2020-11/wen_zhang_/100058406-111353-3.p…; alt=“”></center>
如图3所示,对于输入正弦信号u,电容C使得串联回路中负载R上的电流相位超前于u 90°,电感L则使得同一串联回路中的电流相位再滞后90°二者相位偏移刚好抵消。因此,输出Uf与输入u同相。
<strong><font color="#004a85">总结</font> </strong>
(注意,相位影响不一定都是90°,与其它部分相关,具体则要计算)串联电容使得串联支路电流相位超前,从而影响输出电压相位。
并联电容使得并联支路电压相位滞后,从而影响输出电压相位。
串联电感使得串联支路电流相位滞后,从而影响输出电压相位。
并联电感使得并联支路支路电压超前,从而影响输出电压相位。
更简洁的记忆:电容使电流相位超前,电感使电压相位超前。(均指元件上的电流或电压)电容——电流超前,电感——电压超前。
本文转载自:EDA365电子论坛
免责声明:本文为转载文章,转载此文目的在于传递更多信息,版权归原作者所有。本文所用视频、图片、文字如涉及作品版权问题,请联系小编进行处理(联系邮箱:cathy@eetrend.com)。
<strong><a href="http://www.mouser.cn/applications/" style="color:red;">点击这里,获取更多关于应用和技术的有关信息</a></strong>
<strong><a href="https://www.mouser.cn/blog" style="color:red;">点击这里,获取更多工程师博客的有关信息</a></strong>