作者:ADI高级应用开发工程师Christian Cruz,ADI电源应用工程师Joseph Rommel Viernes,ADI高级系统工程师Kareem Atout,ADI新技术和市场拓展团队团队主管Gary Sapia,ADI高级固件工程师Marvin Neil Cabuenas
现阶段,多核架构使微处理器在水平尺度上变得更密集、更快速,令这些器件所需功率急剧增加,直接导致向微处理器供电的稳压器模块(VRM)的升级需求:一是稳压器的功率密度(单位体积的功率)升级,为了在有限空间中满足系统的高功率要求,必须大幅提高功率密度;另一是功率转换效率提升,高效率可降低功率损耗并改善热管理。
目前电源行业一种公认的解决方案,是将先进的开关MOSFET(稳压器的主要组成部分)及其相应的驱动器集成到单个芯片中并采用高级封装,从而实现紧凑高效的功率转换。这种DrMOS功率级优化了高速功率转换。
随着对这种功率级(被称为智能功率级)的需求稳步增长,以及功率开关技术不断进步,ADI公司推出了DrMOS版本的智能功率模块。LTC705x DrMOS系列利用ADI已获专利的Silent Switcher® 2架构,并集成了自举电路,使得DrMOS模块能够以超快速度切换,同时降低了功率损耗和开关节点电压过冲,提高了性能。LTC705x DrMOS器件还提供过温保护(OTP)、输入过压保护(VIN OVP)和欠压闭锁(UVLO)保护等安全特性。
LTC7051 SilentMOS智能功率级
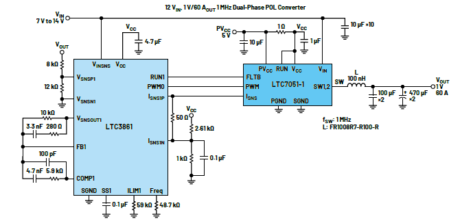
LTC7051属于LTC705x DrMOS系列,是一款140A单片智能功率模块,它成功地将高速驱动器与高品质因数(FOM)顶部和底部功率MOSFET以及全面的监控保护电路集成到一个耐电耐热的封装中。与合适的PWM控制器一起,这款智能功率级可提供市场一流的高效率、低噪声、高密度的功率转换。这种组合使大电流稳压器模块具备最新的效率和瞬态响应技术。LTC7051的典型应用如图1所示。它充当降压转换器的主要开关电路,与之配合的是LTC3861——具有精确均流特性的双通道多相降压电压模式DC-DC控制器。

图1.双相POL转换器
为了演示LTC7051的主要特性,ADI公司创建了一个评估板,用以展示LTC7051与竞争产品的性能对比。这种演示平台有助于以一种公正、准确的方式比较LTC7051 DrMOS与竞争产品的基本参数,例如效率、功率损耗、遥测精度、热和电气性能。比较的目的是消除对结果有效性的任何怀疑。该演示平台用于突出一流的DrMOS性能指标,而与制造商无关。
DrMOS分析评估硬件
该分析演示硬件具有如下重要特性:
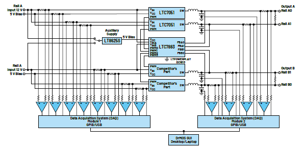
►一个PWM控制器,它能在宽范围的输入和输出电压及开关频率下运行。在此应用中,控制器是LTC7883,它是一款四路输出多相降压DC-DC电压模式控制器,如图2所示。
►LTC7051和竞争器件使用相同的功率级设计。
►LTpowerPlay®电源系统管理环境用于全面遥测LTC7883提供的系统性能。
►根据ADI和竞争器件的指定工作温度范围,可以承受扩展的环境温度。
►电路板设计用于轻松捕获和测量热量。

图2.分析演示板框图
DrMOS分析演示板如图3所示。该板经过精心设计,具备前面提到的关键特性。元件对称且系统地放置在每个电源轨上,并具有相同的PCB尺寸和面积,以限制电源轨之间的差异。布局布线和层堆叠也是对称进行的。

图3.DrMOS评估板,顶部和底部。PCB尺寸:203mm×152mm×1.67mm (L×H ×W),2盎司铜厚度。
DrMOS分析测试方法和软件
除了演示板本身之外,测试设置和测试方法对于数据和结果的公正同样很重要。为此,团队还创建了一个具有图形用户界面(GUI)的配套评估软件,如图4所示,以支持用户更加轻松地开展测试和收集数据。用户只需要指定输入和输出参数,软件将负责自动化测试。软件自动控制相应的测试和测量设备,例如直流电源、电子负载和多路复用数据采集器件(DAQ),以直接从演示板测量温度、电流和电压数据,然后在GUI上呈现测量结果曲线。软件还通过PMBus/I2C协议收集来自板载器件的重要遥测数据。所有这些信息对于比较系统效率和功率损耗都很重要。

图4.DrMOS评估软件,显示了配置和热分析选项卡
数据与结果
以下测试结果涵盖了稳态性能测量、功能性能波形、热测量和输出噪声测量。使用如下配置对演示板进行了测试:
►输入电压:12V
►输出电压:1V
►输出负载:0A至60A
►开关频率:500kHz和1MHz
性能数据
● 效率与功率损耗
图5中的测试结果表明,在500kHz的开关频率下,与竞争器件相比,LTC7051的效率更高(高出0.70%)。随着开关频率从500kHz进一步提高到1MHz,LTC7051的效率也变得更好(提高0.95%)。

图5.1V时的效率和功率损耗,负载为0A至60A,开关频率分别为500kHz和1MHz
● 效率性能
值得注意的是,在高输出负载电流和较高开关频率下,LTC7051的效率性能优于竞争产品。这是ADI已获专利的Silent Switcher技术的优势,该技术改进了开关边沿速率并缩短了死区时间,从而降低了总功率损耗。这使得更小尺寸解决方案能以更高开关频率工作,而不会显著影响整体效率。总功率损耗越低,工作温度就越低,输出电流因而越高,功率密度得以大幅提高。
● 热性能
LTC7051在效率和功率损耗方面的优势也有利于其实现更好的热性能。在LTC7051和竞争产品之间观察到大约3°C至10°C的温差,前者的温度更低,如图6所示。LTC7051的这种更好的性能要归功于其精心设计的耐热增强型封装。

图6.1V输出时的典型性能,负载为60A,开关频率分别为500kHz和1.0MHz
随着环境温度从25°C增加到80°C,LTC7051与竞争产品之间的温差扩大到大约15°C,前者的温度同样更低。
● 器件开关节点性能
从图7可以看出,LTC7051的漏源电压(VDS)峰值低于竞争器件。此外,当负载提高到60A时,在竞争器件上测得的VDS处于峰值,同时可以看到长时间的振荡。但是,LTC7051设法减小了尖峰和振荡,这同样归功于LTC705x DrMOS系列的Silent Switcher 2架构和内部集成的自举电容。因此,开关节点上的过冲更低,意味着EMI以及辐射和传导噪声更低,并且由于开关节点过压应力降低,可靠性因而更高。

图7.1V时的开关节点波形,分别在0A和60A负载下评估
● 器件输出纹波性能
另一个参数是图8所示的输出电压纹波。可以看到,LTC7051的噪声比竞争器件要小。噪声降低的原因是Silent Switcher技术导致VDS尖峰更低且开关节点上的振荡更小。如果没有产生开关节点尖峰,则输出不会有传导噪声。

图8.1V时的输出纹波波形,分别在0A和60A负载下评估
同样,LTC7051和竞争器件也进行了输出噪声扩频测量,如图9所示。LTC7051优于其他DrMOS器件,并显示出在开关频率下产生的噪声低于竞争器件的噪声。噪声差约为1 mV rms。

图9.输出噪声频谱响应:电压为1V,负载为60A,开关频率为1MHz
结论
LTC7051 DrMOS演示平台可用来公正地比较竞争产品。LTC7051将SilentMOS™架构和自举电容集成到单个耐热增强型封装中,在高开关频率下工作时可显著提高功率转换效率和热性能。此外,LTC7051可以降低响铃振荡和尖峰能量,后者不仅表现在开关节点上,而且会传播到输出端。在实际应用中,输出负载需要严格的容差,其中之一是标称直流。然而,高尖峰能量和纹波造成的噪声(它也会出现在输出端)会消耗总体预算。功耗需求巨大的数据中心将能节省相当多的电能和成本,更不用说更少热管理和EMI(这会显著降低,甚至最终得以消除)带来的额外好处,同时滤波器设计和元件放置规定仍会得到正确遵守。综上所述,LTC7051显然是目前企业首选的功率级和DrMOS器件,可为VRM设计和应用需求提供有力支撑。
关于ADI公司
Analog Devices, Inc. (NASDAQ: ADI)在现代数字经济的中心发挥重要作用,凭借其种类丰富的模拟与混合信号、电源管理、RF、数字与传感技术,将现实世界的现象转化成有行动意义的洞察。ADI服务于全球12.5万家客户,在工业、通信、汽车与消费市场提供超过7.5万种产品。ADI公司总部位于马萨诸塞州威明顿市。更多信息请访问:http://www.analog.com/cn。
关于作者
Gary Sapia大约23年前开始为凌力尔特(现为ADI公司的一部分)工作。在此之前,他是Ashtech(后来为Magellan/Orbital Sciences)的模拟设计工程师。在GPS应用早期,Gary设计了GPS RF模拟前端解决方案。他还从事电源模拟电路、LNA、完整模拟前端、运算放大器和比较器解决方案、其他数据转换器解决方案和最终产品测试系统的设计和故障排除工作。他的工作还包括编写运行这些测试系统的软件。在加入凌力尔特之后,Gary作为FAE被分配到湾区公司,并有幸与多个工程师合作进行几种不同的模拟系统设计。40年来,他与不同的人员协作从事硬件工作,积累了丰富的经验,Gary现在是ADI新技术和市场拓展团队的团队领导,期待着帮助ADI继续实现可盈利的未来增长。
Kareem Atout早在决定投身科技行业之前,他就开始捣鼓电子产品,自己组装音响设备,而且经常让父母担心Kareem会引起下一次停电!Kareem热衷于探索创新电子技术,在电气工程领域成功从业已25年。作为通信基础设施的高级系统工程师,他在模拟和数字设计领域都积累了不少经验。他将积极乐观的专业精神和富有灵感的设计应用于有线通信和电源系统,不断打破障碍,促进了半导体行业的发展。
Christian Cruz是ADI菲律宾公司的高级应用开发工程师。他拥有菲律宾马尼拉东方大学的电子工程学士学位。他在模拟和数字设计、固件设计和电力电子领域拥有超过12年的工程经验,包括电源管理IC开发以及AC-DC和DC-DC电源转换。他于2020年加入ADI公司,目前负责支持基于云的计算和系统通信应用的电源管理需求。
Joseph Rommel Viernes是ADI菲律宾公司的一名电源应用工程师。他于2018年加入ADI公司。他先后在Emerson Network Power、Phihong Technology、Power Integrations等公司以及现在的ADI公司工作,拥有超过17年的电源设计经验。他的工作侧重于工业和通信电源系统应用。他毕业于菲律宾马尼拉德拉萨大学,获电子工程学士学位。
Marvin Neil Solis Cabueñas毕业于菲律宾马尼拉德拉萨大学,获电子工程学士学位。在2021年加入ADI之前,Marvin曾在Azeus Systems菲律宾公司担任系统工程师,然后在Technistock菲律宾公司担任网络工程师(2014年至2017年),并在2017年至2020年担任诺基亚技术中心菲律宾公司的研发工程师。他在不同领域拥有超过9年的工作经验,如嵌入式系统编程、数字信号处理、仿真建模等。目前担任高级固件工程师,负责ADI电源事业部的不同项目。目前正在攻读菲律宾大学电气工程硕士学位。