Microchip Technology Inc.
Xuning Zhang和Kevin Speer
高压功率系统设计人员努力满足硅MOSFET和IGBT用户对持续创新的需求。基于硅的解决方案在效率和可靠性方面通常无法兼得,也不能满足如今在尺寸、重量和成本方面极具挑战性的要求。不过,随着高压碳化硅(SiC)MOSFET的推出,设计人员现在有机会在提高性能的同时,应对所有其他挑战。
在过去20年间,额定电压介于650V至1200V的SiC功率器件的采用率越来越高,如今的1700V SiC产品便是在其成功的基础上打造而成。技术的进步推动终端设备取得了极大的发展;如今,随着额定电压为1700V的功率器件的推出,SiC技术的众多优势已惠及新兴终端设备细分市场,包括电动商用和重型车辆、轻轨牵引和辅助动力、可再生能源以及工业传动等领域。
设计人员可借助适当的功率器件封装和栅极驱动最大程度地发挥1700V SiC MOSFET的优势,这样便能在最宽的功率水平内扩大其相对于现有硅解决方案的优势。
低功率水平下的优势
在低至几十至几百瓦的功率下工作时,1700V SiC MOSFET晶体管的优势开始展现。SiC技术是辅助电源(AuxPS)的理想解决方案,几乎所有电力电子系统都使用AuxPS。如果没有辅助电源,将无法为栅极驱动器、检测和控制电路或冷却风扇供电。由于它提供任务关键型功能,因此可靠性是AuxPS应用的第一要务。
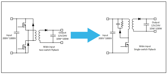
1700V SiC MOSFET帮助减轻AuxPS故障的方法之一是利用其高击穿电压、低比导通电阻和快速开关等特性。在这些特性的共同加持下,可极大简化采用单开关反激拓扑的电路设计(见图1)。相比之下,基于硅的解决方案则面临各种问题,包括额定电压对于该拓扑而言过低(这就需要使用双开关架构,导致故障风险加倍),或者需要牺牲性能才能达到额定电压。此外,这类解决方案的供应商数量较少,成本也高于SiC器件。

图1. 采用宽输入单开关反激拓扑的常见辅助电源
1700V SiC MOSFET采用单开关反激拓扑,便于当今的低功率隔离开关电源支持多种输入和输出要求。它们能够接受范围较宽的高压直流输入(300V至1000V)并输出低压(5V至48V)电源。单开关反激拓扑不但改善了简便性,还减少了元件数量并降低了相关总成本。
除了可靠性提高、控制方案复杂度降低、元件数减少和成本下降以外,利用1700V SiC MOSFET的AuxPS的外形也更加小巧。SiC MOSFET的面积归一化导通状态电阻也称为比导通电阻(Ron,sp),是硅MOSFET所呈现特性的一部分。这意味着小型芯片可以使用小型封装,从而降低导通损耗,最终使散热器的尺寸减小、费用降低,甚至无需使用散热器。SiC MOSFET的开关损耗也较低,这为通过增大开关频率来缩减变压器的尺寸、重量和成本提供了一种途径。
图2给出了各种SiC器件的效率随输出功率提高的程度。凭借当今最高效的器件,系统设计人员甚至能够实现被动冷却,即无需散热器。

图2. 多款SiC器件与一款硅高压MOS器件的效率—输出功率曲线比较
随着功率处理能力的提高,优势逐渐增多
随着功率处理能力的提高,SiC技术更快速、更高效的开关性能的影响也在增加。当功率范围增加至几十或几百千瓦(kW)时,SiC技术有许多应用。图3给出了功率为千瓦级的三相逆变器(本例中为75 kW)及其拓扑。它经常应用于EV牵引、EV充电器、太阳能逆变器、UPS和电机驱动等领域。

图3. 上述千瓦级三相逆变器(包括功能部分和拓扑)的关键优先级依次为效率、可靠性和功率密度(尺寸减小且重量减轻)
图4将此使用1700V低电感封装功率模块的逆变器设计的效率与替代功率半导体的效率进行了比较。SiC模块在10 kHz时的峰值效率可达99.4%。即使开关频率变为原来的三倍,即达到30 kHz,SiC模块的效率仍然高于硅IGBT。这样一来,便可以替换掉更重、更昂贵的滤波器组件,使尺寸缩小至原来的三分之一。

图4. 10 kHz和30 kHz开关频率下SiC解决方案与硅IGBT的效率比较
通常,与硅IGBT相比,MOSFET的开关损耗平均降低80%,这不但有助于转换器提高开关频率,还能替换掉更重、更昂贵的变压器,从而缩小尺寸、减轻重量及降低成本。SiC MOSFET和硅IGBT在重载下的导通损耗相似,但考虑所谓的“轻载”条件其实更加重要,因为很多应用在其大部分使用寿命期间都在轻载条件下运行。处于遮阳结构下或阴天时的太阳能逆变器,无风天气下运行的风力涡轮机转换器,通过运输辅助电源(APU)定期开/关的列车车门等,这些均处于轻载条件下。在这些用例中,与硅IGBT相比,SiC MOSFET的导通更低,这与它们减少的开关损耗相辅相成,设计人员可以减少甚至去除散热或其他热管理措施。
与低功率AuxPS应用一样,凭借在这种较高功率范围内使用的SiC MOSFET,设计人员可通过使用更简单的电路拓扑和控制方案来提高可靠性。而这又有助于减少元件数并降低相关成本。在这些应用中,中等功率电源转换器的高功率传输需求需要使用通常介于1000V和1300V之间的较高直流总线电压。为了最大程度提高效率,在此类高直流链路电压下使用硅晶体管的设计人员过去不得不从一些复杂的三级电路架构中进行选择。例如,二极管中性点钳位(NPC)电路、有源NPC(ANPC)电路和T型电路。当使用1700V SiC MOSFET时,这种情况发生了改变,设计人员现在可以使用器件数减半且控制方案显著简化的两级电路。例如,之前在三级电路拓扑中使用硅IGBT的系统,现可在更可靠的两级拓扑中使用一半数量(或更少)的1700V SiC MOSFET模块。
图5给出了设计人员利用SiC技术大幅减少NPC、ANPC和T型电路的总器件数的显著程度。如果完全不考虑在每个开关位置并联的多个器件的好处,那么IGBT所使用的各种电路架构的元件数将达到SiC解决方案的4至6倍。随着器件数的大幅减少,栅极驱动器的数量也相应减少,这样控制方案便得到了简化。

图5. SiC技术能够利用更简单的两级拓扑提高效率和功率密度,同时增强可靠性。这样,每相桥臂只需两个器件加上两个驱动器即可构成75 kW三相逆变器,如上面的NPC、ANPC和T型电路示例中所示
迈向兆瓦级应用
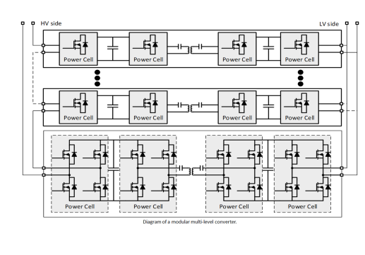
兆瓦级应用涵盖商用和重型车辆中的固态变压器(SST)和中压直流配电系统到牵引动力单元(TPU)。其他应用包括中央太阳能逆变器、海上风能转换器和舰载电源转换系统。图6提供了模块化多级转换器的示例。

图6.模块化多级转换器
在处于此兆瓦级功率范围的应用中,上图给出的固态变压器转换器使用多级串联电源单元满足电压要求。每个单元可以是半桥单元或全桥单元。一些设计人员甚至会选择三级架构。使用基于基本单元的模块化解决方案有助于提高可扩展性,同时最大程度地减少维护工作。这些单元有时称为电力电子构件或子模块,它们配置为级联H桥转换器或模块化多级转换器(MMC)。
为了实现这些单元,设计人员过去使用1200V至1700V硅IGBT。将这些IGBT更换为1700V SiC MOSFET(单元级)时,产生的效果与低功率应用中的描述相同:更出色的功率处理能力和电气性能。1700V SiC MOSFET的低开关损耗可提高开关频率。每个单元的尺寸大幅减小,并且1700V的高阻断电压可减少达到相同直流链路电压所需的单元数。最终,这不但通过减少单元数提高了系统可靠性,同时还通过使用更少的有源开关和栅极驱动器降低了成本。例如,当在10 kV中压配电线上运行的固态变压器中使用1700V SiC解决方案时,与使用硅替代方案的变压器相比,串联单元数减少了30%。
功率器件封装和适当栅极驱动的重要性
SiC MOSFET能够以极高的速度进行高功率开关,因此必须减轻由此引起的次级效应,包括噪声和电磁干扰(EMI),以及由寄生电感和过热引起的有限短路耐受时间和过压。典型中等功率电源转换器可在1 μs内关闭1000V–1300V总线上的几百安电流。
Microchip提供能够大幅减小寄生电感的SiC MOSFET模块封装选项。其中包括杂散寄生电感低至2.9纳亨(nH)以下的半桥封装,这种封装可最大程度地提高电流、开关频率和效率(见图7)。这类封装还提供更高的功率密度和小巧的外形,并联少量模块即可构建完整系统,有助于进一步减小设备的尺寸。

图7. 当今的SiC模块为设计人员提供了多种封装选项,包括杂散电感低至2.9 nH以下的半桥选项(如上所示)
除了最大程度地减小封装电感和优化系统布局以外,设计人员还可使用专门设计的全新栅极驱动方法来减轻SiC MOSFET快速开关引起的次级效应。与传统模拟方案相比,当今的可配置智能快速反应数字栅极驱动器最高可将漏极-源极电压(VDS)过冲降低80%,开关损耗降低50%。此外,这类驱动器还能使上市时间最多缩短6个月,并且提供全新的增强型开关功能。
凭借这些功能,设计人员可探索各种配置并将其重复用于不同的栅极驱动器参数,例如栅极开关配置文件、系统关键型监视器和控制器接口设置。它们能够快速微调栅极驱动器来支持多种不同的应用,而无需对硬件进行任何修改,从而缩短从评估到生产的开发时间。它们还能够根据需要和/或在SiC MOSFET性能降低时在设计过程中更改控制参数,以及现场更改开关配置文件。
当今的SiC MOSFET产品也是综合SiC生态系统的一部分,可满足从评估一直到生产的各种需求。其中包括可定制的模块选项以及数字栅极驱动器,用户只需单击鼠标即可优化系统性能及缩短上市时间。其他生态系统元件包括参考模块适配器板、SP6LI低电感功率模块、安装硬件以及热敏电阻和直流电压连接器,再加上可配置软件的编程工具包。配套的分立式产品完善了生态系统。
众多优势
在从数瓦到数兆瓦的众多功率变换应用中,高压SiC MOSFET正在推动设计人员超越硅解决方案的各种限制,从而推动功率变换系统开发领域的创新。在应用到功率转换器和功率系统时,它们能够提高可靠性和效率,同时降低成本、减小尺寸并减轻重量。与智能数字栅极驱动配合使用时,1700V SiC MOSFET可发挥最大价值。Microchip提供丰富且可靠耐用的SiC元件产品组合,这些产品以芯片、分立元件和功率模块以及数字栅极驱动器解决方案的形式提供,让设计人员能够轻松、快速且自信地采用SiC。