背景与基础
随着工业4.0的兴起,人们对可重设置的双向数据交互的智能传感器/执行器的需求显著上升。为此,自动化领域的许多知名厂商一起开发了独立于现场总线的传感器和执行器的通信标准:IO-Link,这是一种相对较新的工业传感器标准,目前已呈现出迅速增长态势。据IO-Link相关组织预测,截至当前,行业使用支持IO-Link标准的节点已超过2700万个,而这个数字仍在不断攀升。

图1.IO-Link nodes增长趋势
(图源IO-Link.com)
IO-Link技术定义了用于将传感器和执行器连接到主站单元的接口标准,其遵守的规范和标准是IO-Link Interface and System Specification(V1.1.1 or V1.1.2以及最新的V1.1.3)和IEC 61131-9标准。
IO-Link系统是IO-Link Master和IO-Link Device(Sensor、Actuator和Hub)之间的数字点对点连接,IO-Link通信独立于所使用的Fieldbus。此外,IO-Link还可以通过IO-Link Hub在系统中连接没有IO-Link输入输出的设备(遵守IEC 61131-2的sensor or Actuator)。

图2.IO-Link系统应用概述
IO-Link Master可以有两种工作模式,分别是IO-Link mode和SIO mode,其可以在任何端口单独设置,每个端口只能连接一个IO-Link Device。通信总是从IO-Link Master的Wake-up pulse(80μs)开始,后跟测试消息(Type_0的M序列),等待IO-Link Device的响应信息。在SIO mode下,传感器/执行器的工作方式与传统的传感器/执行器类似,测量值和开关状态通过数字量与传感器/执行器通信;在IO-Link mode下,确定通信速率和最小周期时间(Cycle time)后建立通信(Master支持4.8Kbit/s、38.4Kbit/s、230.4Kbit/s三种波特率,Device仅支持其中一种波特率),通过一系列消息(M序列)交换数据,可以选择不同的M序列类型(Type_1_x/Type_2_x)来满足IO-LinkDevice的特定需求(扫描速率、过程数据量等)。每个IO-LinkDevice的属性、功能和参数都在IO-Link设备描述文件(IODD)中表示。

图3.IO-Link接口物理层定义

图4.Master与Device建立通信的过程
注:Master发送唤醒电流脉冲(WURQ)后,接着发送(COM1、COM2、COM3不同传输速率)测试消息,直到获得Device响应,通信建立。

图5.O-Link 消息序列(M序列)
ADI的IO-Link相关产品和方案
技术型授权代理商Excelpoint世健的工程师Tony Wang介绍了当前ADI可用于设计IO-Link Master和IO-Link Device(Sensor、Actuator和Hub)的相关芯片级设计参考方案。下图为IO-Link系统中相关产品的设计参考框图。

图6.IO-Link系统ADI芯片级应用框图
1、IO-Link Master设计
Tony表示,大多数IO-Link Master设计中主要包括四种组件:一是用于处理数据的微控制器,在使用IO-Link Master的情况下,也运行协议栈;二是用于物理层的IO-Link Master收发器;三是用于现场总线通信的工业以太网控制器;四是电源,以及用于提供浪涌保护的TVS、ESD等。
另外IO-Link Master设计的主要挑战包括散热(Heat)、鲁棒性(Robustness)、驱动能力(Drive capability)、软件(Software)。
2、ADI在IO-Link Master设计中的优势
IO-Link Master收发器:MAX14819/MAX14819A介绍
ADI的MAX14819/MAX14819A是低功耗、双通道的IO-Link主站收发器。该收发器包括两个辅助数字输入(DI)通道,完全符合最新的IO-Link和二进制输入标准和测试规范,遵守IEC 61131-2、IEC 61131-9和IO-Link 1.1.3标准。

图7.MAX14819/MAX14819A(集成Framers and L+ Supply Controllers)功能框图
MAX14819与MAX14819A的特色和优点:
● CQ_ DRIVER的1Ω(typ)导通电阻,减少25%的能量消耗
● 两个通道共1.9mA(typ)的供电电流
● 集成了L+ Supply Controllers,具有大容性负载充电能力和2A或者更高的负载电流
● 集成了Frame Handler,减少了对MCU的UART需求
● 每个通道自带Cycle Timer,减少对MCU精确定时器的需求
● 通过逻辑地址输入A1和A0,在一个SPI总线上允许最多四个MAX14819/MAX14819A
● CQ_ DRIVER可独立配置为push-pull、NPN、PNP模式输出,可选电流范围从100mA到500mA
● 65V绝对最大额定值,在其关键引脚上(VCC,CQA,CQB,DIA,DIB,L+A,L+B,SN1A,SN1B)
● -40°C至+125°C的工作温度范围
MAX14819与MAX14819A的不同点:
● MAX14819A具有Device Message Response Time Checking功能(tA,参考图5)
● MAX14819A比MAX14819具有更高的L+阈值
● MAX14819A接收器比MAX14819具有更高的高频信号隔离能力
ADI合作的3家IO-Link协议栈公司,可以为终端设计客户提供更多的IO-Link协议栈开发选择。

图8.ADI合作的3家IO-Link协议栈公司
ADI还提供多种评估板资源,方便终端客户评估与学习。

图9.ADI评估板资源
3、IO-Link Hub设计
大多数IO-Link Hub设计中主要包括四种组件:一是用于处理数据的微控制器,在使用IO-Link Hub的情况下,也运行协议栈;二是用于物理层的IO-Link Device收发器;三是用于连接传感器/执行器的高边/低边输出开关,输入开关等;四是电源,以及用于提供浪涌保护的TVS、ESD等。
IO-Link Hub设计的主要挑战同样包括散热(Heat)、鲁棒性(Robustness)、驱动能力(Drive capability)、软件(Software)。
4、ADI在IO-Link Hub设计中的优势
IO-Link Hub收发器:MAX14827A/MAX14828介绍
MAX14827A集成了工业传感器中常见的高压功能,包括驱动器和调节器。MAX14827A具有两个主动反极性保护的超低功耗驱动器,可工作于正常的24V供电电压至60V。

图10.MAX14827A功能框图
MAX14827A的特色和优点:
● 非常低的功率损耗(2.3Ω/2.7Ω(typ)导通电阻)
● 集成了LDO和LED驱动器
● 热插拔电源保护
● 具有主动反向极性保护功能的驱动器
● 65V绝对最大额定值
● MAX14828与MAX14827A的Pin和软件兼容
注:MAX14827A-Dual Driver;MAX14828- Single Driver;MAX14829- Pin Controlled,Dual Driver。
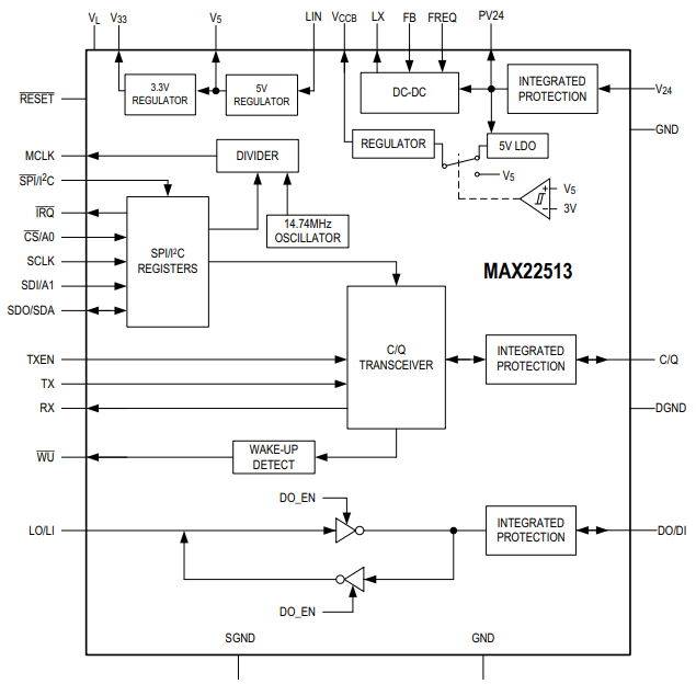
IO-Link Hub收发器:MAX22513/MAX22514介绍
MAX22513是双通道低功耗IO-Link Device收发器,内部具有高效的DC-DC降压稳压器和两个内部线性稳压器,以及集成的浪涌保护器件,非常鲁棒性的通信。MAX22513具有低导通电阻驱动器(C/Q和DO/DI),可选择的驱动器电流限制和过流保护,以减少传感器应用中的功耗。

图11.MAX22513功能框图
MAX22513的特色和优点:
● 集成了高效的DC-DC降压调节器(可输出2.5到12V@300mA)
● 集成了±1kV/500Ω的浪涌保护功能
● 非常低的功率损耗(2.1Ω/2.3Ω(typ)导通电阻)
● 集成了LDO和LED驱动器
● 集成了精确的振荡器
● 热插拔和主动反向极性保护功能
● 65V绝对最大额定值
注:MAX22513-Dual Driver;MAX22514- Single Driver;MAX22515- Dual Driver(no DC-DC)。

图12.IO-Link Device收发器散热对比
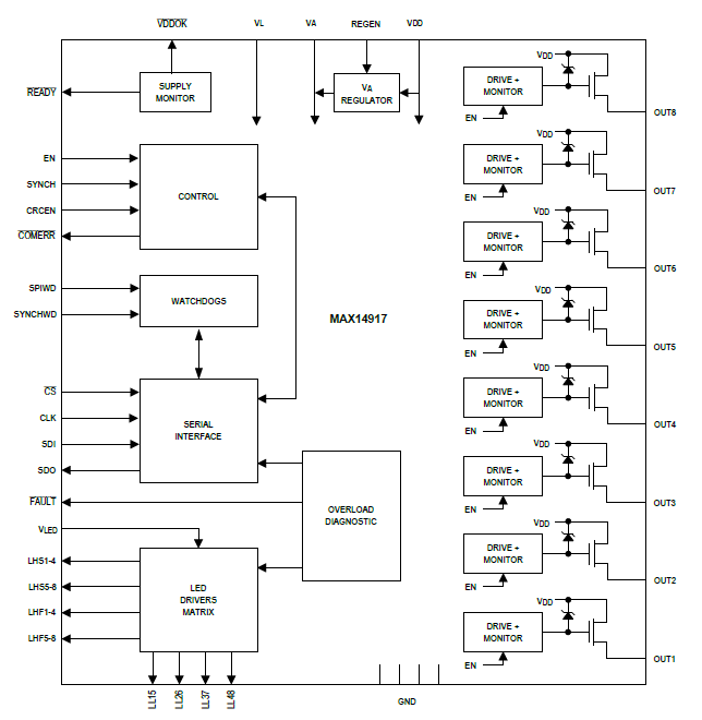
IO-Link Hub高边输出开关:MAX14915/MAX14916/MAX14917介绍
MAX14917有8个高边输出开关,每个通道提供高达700mA(min)的连续电流。MAX14917有一个SPI接口,可以菊花链连接,允许与多片MAX14917共用一个SPI总线。两个看门狗定时器提供了对主设备连接的额外安全检查。MAX14917具有4 x 4 LED交叉矩阵,可提供每个通道状态的视觉指示。

图13.MAX14917功能框图
注:MAX14917不具备诊断功能,MAX14915/MAX14916具备诊断功能。MAX14917只在菊花链配置中与MAX14915兼容。
MAX14917的特色和优点:
● 65V绝对最大供电范围和集成了1KV的浪涌保护功能
● 精确的输出电流(0.7A,min)
● 在125℃时250mΩ(max)导通电阻
● 过热保护功能
● 紧凑的6mm x 6mm QFN封装
IO-Link Hub低边输出开关:MAX14919/ MAX14919A介绍

图14.MAX14919/MAX14919A功能框图
MAX14919/MAX14919A的特色和优点:
● 165V绝对最大供电范围和集成了1KV的浪涌保护功能
● 电阻设置精确的电流限制(100mA到800mA)
● 在125℃时300mΩ (max)导通电阻
● 过热保护和反向电流保护功能
● 紧凑的6.5mm x 6.5mm 20-TSSOP或者4mm x 5mm 20-TQFN封装
为了满足将来的需求,数据透明度和通信必须一致延伸至比控制层更深的层次。那么如何在自动化系统中充分利用智能传感器和执行器?答案是采用开放式通信标准的IO-Link。同时,随着所采用的执行器和传感器变得越来越智能,也更需要开放的IO-Link通信标准发挥作用,使传感器/执行器层直至自动化层都保持较高数据透明度。ADI的IO-Link相关产品和解决方案,让客户可以快速、便捷的去评估自动化系统性能,Excelpoint世健还可以提供相关技术支持和指导,深入支持客户完成整个IO-Link相关产品的设计开发,帮助客户缩短产品开发周期。
关于世健——亚太区领先的元器件授权代理商
世健是完整解决方案的供应商,为亚洲电子厂商包括原设备生产商(OEM)、原设计生产商(ODM)和电子制造服务提供商(EMS)提供优质的元器件、工程设计及供应链管理服务。多次被权威杂志和行业机构列入全球领先分销商榜单。
世健与供应商及电子厂商紧密协作,为新的科技与趋势作出定位,并帮助客户把这些最先进的科技揉合于他们的产品当中。世健分别在新加坡、中国及越南设有研发中心,专业的研发团队不断创造新的解决方案,帮助客户提高成本效益并缩短产品上市时间。世健研发的完整解决方案及参考设计可应用于工业、无线通信及消费电子等领域。
世健拥有超过35年历史、逾700名员工,业务扩展至亚太区的49个城市和地区,遍及新加坡、马来西亚、泰国、越南、中国、印度、印度尼西亚、菲律宾及澳大利亚等十多个国家。1993年,世健在香港设立区域总部——世健系统(香港)有限公司,正式开始发展中国业务。目前,世健在中国拥有十多家分公司和办事处,遍及中国主要大中型城市。凭借专业的研发团队、顶尖的现场应用支持以及丰富的市场经验,世健在中国业内享有领先地位。