作者:Antoniu Miclaus,系统应用工程师
目标
本次实验旨在研究Peltz振荡器配置的特性。
背景知识
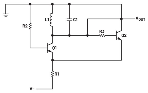
不同于采用单个晶体管的Clapp、Colpitts和Hartley振荡器,Peltz配置使用两个晶体管。观察图1,注意晶体管Q1配置为共基极放大器级。由L1和C1组成的谐振电路提供集电极负载。集电极的输出馈送到晶体管Q2的基极。Q2配置为射极跟随器(共集电极)级。当射极跟随器(Q2发射极)的输出连接回Q1发射极处的共基极级输入时,形成振荡所需的正反馈。共基极放大器级的电压增益在LC谐振电路的并联谐振频率处达到最大值,此时其阻抗接近无穷大。射极跟随器的增益总是略小于1。环路周围的组合增益在谐振时将远大于1,以维持振荡。

图1.Peltz振荡器基本配置
LC谐振电路的谐振频率由公式1得出。

在此振荡器配置中,LC谐振电路的峰峰值摆幅很有限。当Q2的基极电压正向摆动至高于地电位时,Q2的集电极(集电极基极结)将正向偏置。这会将最大正摆幅限制在大约一个二极管正向压降的范围内。峰值负摆幅也是这种情况,此时Q1的集电极负向摆动至足够大,以使Q1的集电极基极结正向偏置。当BJT晶体管的集电极基极结正向偏置时,基极电流急剧增大。我们可以利用该增大的基极电流来提高LC谐振电路的峰峰值摆幅。如果在Q1和Q2的基极插入串联电阻,如图2所示,在LC谐振回路电压达到极限时,流经电阻的新增电流会降低Q1和Q2的基极电压。

图2.提高输出摆幅
实验前仿真
构建图1和图2所示Peltz振荡器的仿真原理图。计算偏置电阻R1的值,使得晶体管Q1和Q2中的集电极电流均大于200 µA。假设电路采用-5 V电源供电。计算C1和L1的值,使得谐振频率至少为1 MHz。执行瞬态仿真。LC谐振电路的峰峰值输出摆幅应限制在±1个二极管正向压降(~±0.6 V)以内。计算并模拟R2 = R3时的阻值,使得输出摆幅提高到至少±1.25 V。保存这些结果以与实际电路的测量结果进行比较,并记录在实验报告中。
材料
•ADALM2000主动学习模块
•无焊试验板
•跳线
•两个小信号NPN晶体管(2N3904)
•一个10 kΩ电阻
•两个4.7 kΩ电阻
•一个100 µH电感
•一个100 pF电容
说明
在无焊试验板上构建图3所示的Peltz振荡器电路。方块表示连接ADALM2000模块示波器通道和电源的位置。务必反复检查接线之后,再打开电源。

图3.Peltz振荡器电路
硬件设置
将两个示波器输入均设置为200 mV/div,并将时基设置为1 µs/div。将触发信号设置为通道1的上升沿。参见图4所示的试验板电路。

图4.Peltz振荡器电路试验板连接
程序步骤
接通-5 V电源。观察示波器通道1上LC谐振电路的输出波形。也可以使用示波器通道2在Q1和Q2的发射极处观察到波形。

图5.Peltz振荡器电路波形图
问题
1. Peltz振荡器的主要功能是什么?
2. Peltz振荡器是哪种振荡器的变体?
3. 什么元件配置使Peltz振荡器有别于Colpitts和Clapp振荡器?
4. 什么情况下Peltz振荡器优于Colpitts或Clapp等其他LC振荡器?
您可以在学子专区论坛上找到问题答案。
关于ADI公司
Analog Devices, Inc. (NASDAQ: ADI)是全球领先的半导体公司,致力于在现实世界与数字世界之间架起桥梁,以实现智能边缘领域的突破性创新。ADI提供结合模拟、数字和软件技术的解决方案,推动数字化工厂、汽车和数字医疗等领域的持续发展,应对气候变化挑战,并建立人与世界万物的可靠互联。ADI公司2024财年收入超过90亿美元,全球员工约2.4万人。ADI助力创新者不断超越一切可能。更多信息,请访问www.analog.com/cn。
作者简介
Antoniu Miclaus是ADI公司的软件工程师,负责为Linux和无操作系统驱动程序开发嵌入式软件,同时从事ADI教学项目、QA自动化和流程管理工作。他于2017年2月在罗马尼亚克卢日-纳波卡加盟ADI公司。他拥有巴比什-波雅依大学软件工程硕士学位,以及克卢日-纳波卡技术大学电子与电信工程学士学位。