本文探讨了负电压轨在电子设备设计中的重要性及其应用场景。通过介绍需要负电压轨的设计实例,强调了负电压对实现设备最优性能的关键作用。同时,文章澄清了关于负电压生成的常见误解,并详细介绍了电荷泵调节器、反相降压升压转换器等多种现代负电压生成方案以及关键器件的推荐。为电子工程师提供了关于负电压轨设计的全面指导。
大多数现代电子设备都采用简单的正电源供电,例如 3.3 V 或 5 V。然而,许多现代应用要求全摆幅双极性信号、平衡偏置或特定的模拟性能,这可能导致设计人员进入不太熟悉的负电压轨领域。
大多数集成电路 (IC) —— 微控制器、处理器、数字传感器和存储器——均采用单电源供电。像 Arduino 这样的开发板几乎完全依赖正电源。电源管理 IC (PMIC) 的设计目标通常用于从单一电池或适配器输入生成多路正电源轨。
这可能导致设计人员将负电压视为电子技术领域的早期产物。然而,负电压在许多模拟和混合信号应用中仍然至关重要,包括信号调节、仪器仪表、传感器接口、数据转换以及精密运算放大器电路。充分了解什么样的情况下需要使用负电压源轨,以拓宽设计可能性,这有助于避免成本高昂的设计疏漏。
有些特定设计需要负电压轨才能正常、高效地工作:
传感器信号调节电路:采用运算放大器配置,通常需要负电源轨,以允许信号摆幅低于地电位。
传统通信接口:如 RS-232,需要同时提供正负电压以确保逻辑电平信号的正确传输。
音频和仪表放大器:常采用双极性电源供电,以提升动态余量、降低失真度并增强线性度。
现代 MEMS 传感器和光电二极管:可能需要一个小的负偏置电压以实现最优精度和性能。
一些设计人员可能认为负电压仅用于老旧或高压系统,但当今许多设计中的精密传感器、放大器和偏置电路都需要合适的负电源——通常仅需几伏——才能实现最优性能。
在空间和功耗受限的混合信号系统中,从单一正电源轨生成洁净、高效的负电压的能力,对设计是否成功至关重要。
一个常见的误解是,生成负电压总是需要体积庞大的变压器或复杂的双电源供电系统。事实上,如电荷泵和反相稳压器等现代集成电路 (IC),使得从单一正电源生成负电源变得更加简单,即使在紧凑的低功耗设计中也是如此。
一个常见的错误是,将地视为所有电路的绝对零电压参考点。在分立式或双极性电源中,“地”仅仅是正负电压(例如 ±15 V)的中间点,而非一个固定的全局零电压点。然而,在分立式系统中,每个电路可能都有自己的参考地,如果将这些地都连接在一起可能会导致设计错误。
另一个设计陷阱在于假设“地”在整个电路中始终具有相同含义。地仅仅是一个参考点,其含义会因电源的供电配置或隔离边界而有所不同。这种误解可能在模拟设计中引发问题,因为如果电压参考未与电路的实际地正确对齐,运算放大器或传感器可能无法按预期工作。在分立式或双极性电源系统中,将地视为通用 0 V 可能会导致信号错误、噪声问题,甚至造成硬件故障。
对负电源轨缺乏了解可能导致忽视关键的布局考虑事项,例如正确的回流路径、有效的去耦和噪声隔离。这可能导致系统不稳定或模拟性能下降。例如,当同时存在正负电源时,正确的回流路径会变得更加复杂——地不再是最低电位点,而且随意布线可能导致地回路或意外的电流路径。
必须有策略地在正负电源轨上布置去耦电容器,并采用低电感连接,以最大限度地减少电压纹波和瞬态尖峰。在混合信号系统中,噪声隔离也会面临更大的挑战,因为数字开关噪声可能通过共享地或电源平面耦合到敏感的模拟电路中。如果没有进行仔细的电路划分、滤波以及对电流的清晰理解,精密模拟前端的优势可能会因电源相关问题引起的不稳定、噪声或漂移而丧失殆尽。
及早识别这些难题有助于避免信号削波、动态范围不足以及后续设计修改,从而拓宽设计可能性。此外,还有助于防止成本高昂的疏漏问题。
从单一正电源轨生成负电压时,设计人员可根据系统复杂度、输出电流大小及效率要求,在从多种成熟的方案中选择。Analog Devices, Inc. (ADI)
电荷泵调节器

图 1:LTC1983 电荷泵转换器应用,可提供 -3 V 电压,最大电流达 100 mA。(图片来源:Analog Devices, Inc.)

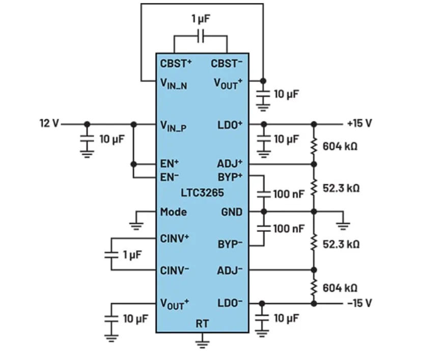
图 2:采用 LTC3265 的电路设计集成了低噪声 LDO 稳压器,可从单一 12 V 输入提供 ±15 V 输出。(图片来源:Analog Devices, Inc.)
相比 LTC1983,LTC3265 在扩展性能、噪声管理以及与高要求模拟子系统集成方面具有显著优势,因此对于需要洁净电源轨和必须确保可靠的应用来说,后者是更优选择。
降压升压转换器
当需要更高的输出电流或更高的效率时,反相降压升压转换器就是一种高效可靠的解决方案。这种电路将输入电压反相并调节为负输出,且通常具有宽输入/输出范围和优异的效率。ADI 的 LTC3863 是一款坚固耐用型反相控制器,能够生成最低 -150 V 的负输出电压,使其非常适合工业和通信系统。
LT8624S 是一款无噪声转换开关,可配置为反相模式,以提供高效率负电源轨并实现超低电磁干扰 (EMI),这使其特别适用于对噪声敏感的模拟电路领域。
ADP5076 是又一款专为双极性运算放大器或传感器偏置需求而设计的解决方案。该器件是双输出开关稳压器,可从单一输入同时生成正负电源轨(例如 +12 V 和 -12 V)。
生成隔离式负电压
需要与地隔离以确保安全、抗噪或需要功能性隔离的应用,例如工业输入/输出 (I/O)、医疗仪器或汽车系统等,都需要生成隔离式负电压。基于变压器的 DC-DC 转换器,通常采用反激(图 3)或推挽拓扑结构,实现了跨隔离屏障传输电能,并生成一个与输入侧电气隔离的负电压。

图 3:如图所示为一个典型的反激式多输出绕组转换器。(图片来源:Analog Devices, Inc.)
LT3758 是一款高性能 DC/DC 控制器,专为升压、SEPIC(单端初级电感转换器)、反激和反相拓扑结构设计。该器件可以配置为使用反激变压器生成隔离式负电源轨,并提供最高可达 100 V 的可调负输出电压。虽然不需要光耦合器,但在这种情况下,该器件会产生一个未经调节的负电压。在输出端增加一个负输入 LDO 稳压器,即可实现精准调节的负电压。
在多电源轨应用中,当电路板空间有限且灵活性至关重要时,设计人员可能会选择 ADI LT8471,这是一款多功能双通道控制器,允许每个通道独立配置为升压、降压升压、SEPIC 或反激模式。这样,输出电压就能实现包括正电压和负电压在内的多种组合。例如,一个通道输出 +12 V,另一个通道输出 -12 V;或者一个通道可以配置为升压至 +24 V,另一个通道配置为 -5 V 隔离式反激模式。这让设计人员能够减少电路板空间和物料清单。

图4:在该电路设计中,ADuM4120 驱动一个双极性电源配置。(图片来源:Analog Devices, Inc.)
当产品上市时间和电路板空间是首要考虑事项时,设计人员可通过 ADI µModule稳压器简化负电源轨设计。LTM4655 是一款全集成反激式降压升压µModule 稳压器,提供两个完全独立的输出通道,可配置为可精准调节的负输出或正输出。
物联网 (IoT) 设备、工业传感器、精密仪器,甚至医疗设备,都需要同时支持正负电压供电,这种情况并不少见。通过选择合适的拓扑结构——无论是为了简化设计的电荷泵,还是为了提高效率的开关电路,设计人员以在现代系统中集成负电压,而不会显著增加复杂性。ADI 丰富的产品组合及参考设计能助力工程师跳过试错阶段,直面设计。
正如文章所述,掌握负电压轨设计能将我们从“正电压单极思维”中解放,大幅降低后期设计变更风险,并在成本控制与性能天花板之间找到最优解。好的负电压轨设计是工程师从实现基本供电功能,迈向提供高性能、高可靠性、高性价比电源解决方案的关键一步。它不仅是解决特定电路需求的工具,更是避免项目返工、控制整体风险、并最终提升产品竞争力的重要设计能力。
文章来源:Digikey