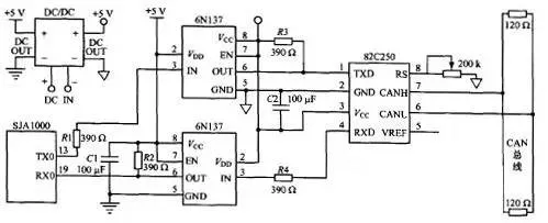
CAN 总线是一种有效支持分布式控制和实时控制的串行通信网络,以其高性能和高可靠性在自动控制领域得到了广泛的应用。为提高系统的驱动能力,增大通信距离,实际应用中多采用Philips公司的82C250作为CAN控制器与物理总线间的接口,即CAN收发器,以增强对总线的差动发送能力和对CAN控制器的差动接收能力。为进一步增强抗干扰能力,往往在CAN 控制器与收发器之间设置光电隔离电路。典型的CAN总线接口电路原理如图1所示。
<center><img src="http://mouser.eetrend.com/files/2017-10/wen_zhang_/100008364-27967-e1.j…; alt=“” width="600"></center><center><i>图1 典型的CAN总线接口电路原理图</i></center>
<strong>1 接口电路设计中的关键问题</strong>
<strong>1.1 光电隔离电路</strong>
光电隔离电路虽然能增强系统的抗干扰能力,但也会增加CAN总线有效回路信号的传输延迟时间,导致通信速率或距离减少。82C250等型号的CAN收发器本身具备瞬间抗干扰、降低射频干扰(RFI)以及实现热防护的能力,其具有的电流限制电路还提供了对总线的进一步保护功能。因此,如果现场传输距离近、电磁干扰小,可以不采用光电隔离,以使系统达到最大的通信速率或距离,并且可以简化接口电路。如果现场环境需要光电隔离,应选用高速光电隔离器件,以减少CAN总线有效回路信号的传输延迟时间,如高速光电耦合器6N137,传输延迟时间短,典型值仅为48 ns,已接近TTL电路传输延迟时间的水平。
<strong>1.2 电源隔离</strong>
光电隔离器件两侧所用电源Vdd与Vcc必须完全隔离,否则,光电隔离将失去应有的作用。电源的隔离可通过小功率DC/DC电源隔离模块实现,如外形尺寸为DIP-14标准脚位的5 V 双路隔离输出的小功率DC/DC模块。
<strong>1.3 上拉电阻</strong>
图1中的CAN收发器82C250的发送数据输入端TXD与光电耦合器6N137的输出端OUT相连,注意TXD必须同时接上拉电阻R3。一方面,R3保证6N137中的光敏三极管导通时输出低电平,截止时输出高电平;另一方面,这也是CAN 总线的要求。具体而言,82C250的TXD端的状态决定着高、低电平CAN 电压输入/输出端CANH、CANL的状态(见表1)。CAN总线规定,总线在空闲期间应呈隐性,即CAN 网络中节点的缺省状态是隐性,这要求82C25O的TXD端的缺省状态为逻辑1(高电平)。为此,必须通过R3确保在不发送数据或出现异常情况时,TXD端的状态为逻辑1(高电平)。
<center><img src="http://mouser.eetrend.com/files/2017-10/wen_zhang_/100008364-27968-e2.j…; alt=“”></center>
<strong>1.4 总线阻抗匹配</strong>
CAN总线的末端必须连接2个120Ω的电阻,它们对总线阻抗匹配有着重要的作用,不可省略。否则,将大大降低总线数据通信时的可靠性和抗干扰性,甚至有可能导致无法通信。
<strong>1.5 其它抗干扰措施</strong>
为提高接口电路的抗干扰能力,还可考虑以下措施:
(1)在82C25O的CANH、CANL端与地之间并联2个30 pF的小电容,以滤除总线上的高频干扰,防止电磁辐射。
(2)在82C250的CANH、CANL端与CAN总线之间各串联1个5Ω的电阻,以限制电流,保护82C250免受过流冲击。
(3)在82C25O、6N137等集成电路的电源端与地之间加入1个100 nF的去耦合电容,以降低干扰。
<strong>2 结语</strong>
接口电路是CAN 总线网络中的重要环节,其可靠性与安全性直接影响整个通信网络的运行。本文总结了CAN接口电路设计中应注意的几个关键问题。只有抓住设计中的关键,才能提高多接口电路的质量与性能,确保CAN总线网络安全、可靠地运行。
本文转载自<a href="http://mp.weixin.qq.com/s/JqGRAv5Qp_jPBdiS53S8UQ">电子工程基础</a>
转载地址:http://mp.weixin.qq.com/s/JqGRAv5Qp_jPBdiS53S8UQ
声明:本文为转载文章,转载此文目的在于传递更多信息,版权归原作者所有,如涉及侵权,请联系小编进行处理。