跳转到主要内容

解析看门狗定时器的重要性

cathy /

就像一只住在名媛手提包中叫不停的小狗,看门狗定时器(watchdog timer)也时常被认为是不必要的多此一举。然而,若将两者一视同仁,是对看门狗的极大侮辱。不同于「手提包小狗」,看门狗具有关键的监控功能,能够帮助您监控系统里外的故障情形,并在故障发生时采取行动。

<strong>什么是看门狗定时器?</strong>

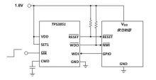
简单来说,看门狗定时器是一种若在特定时间范围内未从处理器接收到周期性脉冲讯号,就会发出重设输出讯号的装置。其中一种应用这种装置的方法,是透过来自处理器的数字讯号输出(GPIO)回馈给外部看门狗定时器的看门狗输入(WDI),如图1所示。TPS3851便是具有整合看门狗定时器的监控器,能够监控微控制器的电源轨,并透过外部方式监控从微控制器(MCU)发出的数字脉冲。