过压

cathy , 27 十一月 2018

假如有人将24V电源连接到您的12V电路上,将发生什么?

倘若电源线和接地线因疏忽而反接,电路还能安然无恙吗?

您的应用电路是否工作于那种输入电源会瞬变至非常高压或甚至低于地电位的严酷环境中?

即使此类事件的发生概率很低,但只要出现任何一种就将彻底损坏电路板。

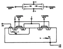
为了隔离负电源电压,设计人员惯常的做法是布设一个与电源相串联的功率二极管或 P 沟道 MOSFET。然而——

<ul>
<li>
<p>二极管既占用宝贵的板级空间,又会在高负载电流下消耗大量的功率。</p>
</li>
<li>
<p>P 沟道 MOSFET 的功耗虽然低于串联二极管,但 MOSFET 以及所需的驱动电路将导致成本增加。</p>
</li>
</ul>

这两种解决方案均牺牲了低电源操作性能,尤其是串联二极管。而且,两种方法都没有提供针对过高电压的保护 —— 这种保护需要更多的电路,包括一个高电压窗口比较器和充电泵。

cathy , 17 五月 2018

假如有人将 24V 电源连接到您的 12V 电路上,将发生什么?

倘若电源线和接地线因疏忽而反接,电路还能安然无恙吗?

您的应用电路是否工作于那种输入电源会瞬变至非常高压或甚至低于地电位的严酷环境中?

即使以上类事件的发生概率很低,但只要出现任何一种就将彻底损坏电路板。

为了隔离负电源电压,我们惯常的做法是布设一个与电源相串联的功率二极管或 P 沟道 MOSFET。然而——

● 二极管既占用宝贵的板级空间,又会在高负载电流下消耗大量的功率;

● P 沟道 MOSFET 的功耗虽然低于串联二极管,但 MOSFET 以及所需的驱动电路将导致成本增加。

这两种解决方案均牺牲了低电源操作性能,尤其是串联二极管。而且,两种方法都没有提供针对过高电压的保护——这种保护需要更多的电路,包括一个高电压窗口比较器和充电泵。

<strong>欠压、过压和电源反向保护</strong>

cathy , 30 三月 2018

对于模拟CMOS(互补对称金属氧化物半导体)而言,两大主要危害是静电和过压(信号电压超过电源电压)。了解这两大危害,用户便可以有效应对。

<strong>静电</strong>

由静电荷积累(V=q/C=1kV/nC/pF)而形成的静电电压带来的危害可能击穿栅极与衬底之间起绝缘作用的氧化物(或氮化物)薄层。这项危害在正常工作的电路中是很小的,因为栅极受片内齐纳二极管保护,它可使电荷损耗至安全水平。

然而,在插人插座时,CMOS器件与插座之间可能存在大量静电荷。如果插人插座的第一个引脚恰巧没有连接齐纳二极管保护电路,栅极上的电荷会穿过氧化层释放而损坏器件。

<strong>以下四步有助于防止器件在系统装配阶段受损:</strong>

将未使用的CMOS器件存放于黑色导电泡沫材料中,这样在运输时可以防止引脚之间积累电荷;

负责器件接插的操作人员应通过一个塑料接地带与系统电源地相连;

从防护性的泡沫材料中取出CMOS器件前,泡沫材料应与电源共地,释放掉积累的电荷;

在电路插人电路板之后,移动电路板时应保持电路板接地或屏蔽。

<strong>SCR闩锁</strong>