跳转到主要内容

现在就实现 IEEE 802.3bt 71W PoE 标准

editor Chen /

作者:Christopher Gobok

<strong>引言</strong>

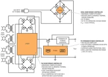
以太网供电 (PoE) 技术日益流行和成熟,因此供电设备 (PSE) 和受电设备 (PD) 开发人员热切盼望追随下一波 IEEE 潮流,开始通过以太网电缆提供更大功率,也就不足为奇了。不过,就像很多行业标准一样,IEEE PoE 标准的最终确定常常远远滞后于市场所需。IEEE PoE 特别小组的最新时间表显示,71W 802.3bt 标准直到 2018 年初都不会准备就绪。从技术角度而言,这样的等待时间太长了,等待这么久意味着很容易错过商机或市场机会。那么,在这种情况下,PSE 和 PD 开发人员应该怎么办? 没什么可说的,当然是现在就开始设计和制造设备!想让产品率先进入 802.3bt 市场的开发人员今天有凌力尔特公司的 LT4295 IEEE 802.3bt PD 控制器可用,该控制器符合标准草案 2.0 版要求。

<strong>功率越大,潜力越大</strong>