跳转到主要内容

Teledyne e2v首创的世界上首个输出带宽为26 GHz的直接微波合成DAC现已正式开始采样工作

winniewei /

法国格勒诺布尔 - Media OutReach - 2020年11月23日 - Teledyne e2v通过最新的性能重新定义数模转换器(DAC),向信号链重大改革的目标又迈进了一步。

Microchip推出首款低功耗数模转换器,集成非易失性存储器简化手持设备设计

winniewei /

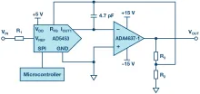
在当今便携和手持式工业、通信、消费和医疗系统中,在上电期间配置器件时势必会导致大量处理器开销,否则就很难使用数模转换器(DAC)实现多通道系统控制或信号输出。为解决这一难题,美国微芯科技公司(Microchip Technology Inc.)今日宣布推出八通道12位数模转换器MCP47/48FxBx8系列产品。

乘法DAC如何用于DAC以外的其他应用?

cathy /

您也许知道,某些DAC包含可在输出端生成基准电压的R2R网络。这些电阻都是精密电阻。它们通常用来根据发送到DAC的数字值切换电流,从而在输出放大器端产生一个电压。采用乘法DAC时,并未集成输出放大器。这就有可能实现某些非常规应用,并将R2R网络用作一个电阻。

大多数 DAC 采用固定的正基准电压工作,输出电压或电流与基准电压和设定的数字码的乘积成比例。而对于所谓的乘法数模转换器(MDAC),情况并非如此,其基准电压可以变化,变化范围通常是±10V。因此,通过基准电压和数字码可以影响模拟输出(在这两种情况下都是动态的)。

<strong>应用</strong>

借助相应的接线,模块可以输出放大、衰减或反转的信号(相对于基准信号而言)。因此,其应用领域包括波形发生器、可编程滤波器和 PGA(可编程增益放大器),以及其他必须调整失调或增益的很多应用。

乘法DAC如何用于DAC以外的其他应用?

cathy /

<strong><font color="#FF0000">问题:乘法DAC如何用于DAC以外的其他应用?</font> </strong>

<strong>答案:</strong>

大多数数模转换器(DAC)采用固定的正基准电压工作,输出电压或电流与基准电压和设定的数字码的乘积成比例。而对于所谓的乘法数模转换器(MDAC),情况并非如此,其基准电压可以变化,变化范围通常是±10V。因此,通过基准电压和数字码可以影响模拟输出(在这两种情况下都是动态的)。

<center><img src="http://mouser.eetrend.com/files/2018-08/wen_zhang_/100013944-47623-ad.j…; alt=“” width="600"></center>

<strong>应用</strong>

设计指南 | 找到最优的建立时间

cathy /

<strong><font color="#FF0000">作者:Bonnie C. Baker,Maxim Integrated专职作者</font> </strong>

大量设备都使用数/模转换器(DAC)来实现各种各样的功能。高精度、电压输出DAC的常见应用有仪器仪表、自动测试以及测试/测量设备。在这些应用中,DAC产生直流电压或任意波形。

对于这些电路,使用电压输出DAC进行设计的最具挑战的部分就是真实了解这种怪兽在其规定精度范围之内到底能够跑多快。如果某款设备的时钟频率为50MHz,那么就电压输出更新速度来说,这意味着什么?或者,除了知道时钟频率之外,还需要更多信息吗?

电压输出DAC采用FIFO方式,也就是先进先出(图1)。通常情况下,用户将DAC的输入数字数据(DIN)装载到DAC内部串行输入寄存器,而将之前的数据编码锁存到N位DAC。

乘法 DAC 如何用于 DAC 以外的应用?

cathy /

您也许知道,某些DAC包含可在输出端生成基准电压的R2R网络。这些电阻都是精密电阻。它们通常用来根据发送到DAC的数字值切换电流,从而在输出放大器端产生一个电压。采用乘法DAC时,并未集成输出放大器。这就有可能实现某些非常规应用,并将R2R网络用作一个电阻。

感兴趣吗?今天就有请ADI 医疗健康行业客户的现场应用工程师经理Thomas Tzscheetzsch 为您讲解“乘法 DAC 如何用于 DAC 以外的应用”。

大多数 DAC 采用固定的正基准电压工作,输出电压或电流与基准电压和设定的数字码的乘积成比例。而对于所谓的乘法数模转换器(MDAC),情况并非如此,其基准电压可以变化,变化范围通常是±10V。因此,通过基准电压和数字码可以影响模拟输出(在这两种情况下都是动态的)。

<strong>应用</strong>

借助相应的接线,模块可以输出放大、衰减或反转的信号(相对于基准信号而言)。因此,其应用领域包括波形发生器、可编程滤波器和 PGA(可编程增益放大器),以及其他必须调整失调或增益的很多应用。