跳转到主要内容

干货 | 利用PoE技术为5G网络中的新一代IoT和其他设备供电

winniewei /

新一代5G技术能够提供具有更高速度的先进移动互联网连接,可助力实现各种IoT和大数据应用,从而创造新的商机。这些应用以空前的速度推动了将更多类型的受电设备(PD)连接到以太网网络的需求,这些设备包括IP监控摄像头、802.11ac和802.11ax接入点、LED灯具、5G小型基站以及其他IoT电器。

关于以太网供电(PoE) 的 11 个误解(第 2 部分)

winniewei /

当无线技术占据主导地位时,以太网看起来像是过时的技术,然而它却无处不在。它甚至对于 5G 服务提供也是必不可少的,其部分原因在于以太网供电以及规范的最新迭代,最新规范将一个联接上的可用总功率大幅提高到了 90 W。本系列视频是由两部分组成,将解决和消除关于PoE 的 11 个常见误解。

关于以太网供电(PoE) 的 11 个误解(第 1 部分)

winniewei /

当无线技术占据主导地位时,以太网看起来像是过时的技术,然而它却无处不在。它甚至对于 5G 服务提供也是必不可少的,其部分原因在于以太网供电以及规范的最新迭代,最新规范将一个联接上的可用总功率大幅提高到了 90 W。本系列视频是由两部分组成,将解决和消除关于PoE 的 11 个常见误解。

原创深度:PoE技术在工业系统中的应用

cathy /

<strong>PoE技术简介</strong>

以太网供电(PoE)是一种标准以太网布线的双重功能技术,既作为数据传输设施,又作为向远程设备供电的手段。这项技术的出现在简化安装和提升互连效率方面提供了许多优势。应用于这项技术的常用设备包括:IP电话、安全摄影机、智能照明设备、现代智能办公设备等装置,它们都能采用PoE技术来完成设备供电。这样,就能省去配置电源线的费用,使整个装置更简洁,成本更低。

PoE以太网供电标准又双叒升级了,你的PD控制器选好了吗?

cathy /

尽管这些年各种无线互连技术在物联网领域攻城略地,出尽了风头,但是在很多应用场景中,有线互联组网仍然不可替代。特别是以太网技术,凭借其可靠、安全、高速和成本优势,在视频监控、智能照明、楼宇控制等领域一直占据着重要的地位。

<center><img src="http://mouser.eetrend.com/files/2019-11/wen_zhang_/100046139-84745-1.pn…; alt=“” width="600"></center>

不过,以太网想要延伸到更多的应用中,实现“无处不在”的目标,有个关键的问题必须解决,那就是联网设备的供电。与电池供电设备相比,通过以太网联网的设备通常所需功率都较高,它们如果都通过110V/220V交流市电去取电,仅电源系统布线的成本就不是一个小数目。

为具有PSE和“伪”PD的非标准电压PoE系统供电

cathy /

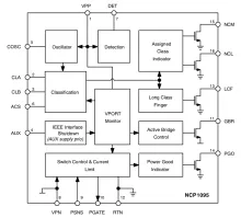
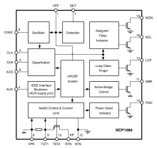
由于在单个以太网电缆中组合了数据和电源传输,PoE(以太网供电)在以太网系统中很受欢迎。它广泛应用于以太网交换机、IP电话、IP网络摄像头应用。对于一些智能家居系统而言,以太网也是中央控制器和一些末端设备(如智能面板和无线AP)之间的一种关键连接法。除了标准48V电缆电压外,一些客户也愿意采用30V的电源传输。其中考虑了两大关键因素,一个是30V电压在36V人身安全电压范围之内,另一个是低至30V的电压可以节省电源解决方案成本。除了电流限制和过流保护功能外,末端设备检测对于系统设计也是有益的,可以确保中央控制器在无合适末端设备的情况下不会通电。

在IEEE 802.3at标准中,如下面表1和表2所示,PSE端口输出电压范围为44~57V(1型)和50~57V(2型),而PD端口功率为37~57V(1型)和42.5~57V(2型)。